
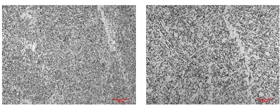
本研究中,我们开发了一种配套Q460MPa抗震耐蚀耐火钢使用的电焊条,通过研究微合金元素的配比,使电焊条具备良好的力学性能,满足600℃,3h高温屈服强度大于常温2/3,-40℃冲击韧性大于51J,并且耐蚀性能与母材匹配。该数据为其熔敷金属的金相组织。
In this study, we developed a kind of electrode for Q460MPa seismic corrosion resistant refractory steel. By studying the ratio of microalloying elements, the electrode has good mechanical properties, satisfying 600℃, 3h high temperature yield strength is greater than 2/3 at room temperature, -40℃ impact toughness is greater than 51J, and the corrosion resistance is matched with the base material. The data is the metallographic structure of the deposited metal.