随着原油质量日趋恶化,石油炼化设备的腐蚀问题越来越严重。腐蚀可引起装置失效、设备运行故障甚至引发火灾、爆炸等恶性安全事故,造成巨大的财产损失。因此炼油厂腐蚀监测手段、腐蚀数据管理水平、腐蚀评价方法以及防腐策略制定都显得尤为重要。如何全面提高企业整体腐蚀管理水平,有效开展腐蚀状况评价是炼油厂腐蚀管理部门的工作重点。

炼油厂装置腐蚀监测管理体系建立
本文对现有炼油厂腐蚀管理模式进行补充和完善,给出一套较完善的炼油厂装置腐蚀监测管理体系,见图1。

选取腐蚀监测点
选取腐蚀监测点是腐蚀监测的第一步,腐蚀监测点选取的优劣直接影响腐蚀监测的效果。腐蚀部位选择随着装置工艺流程、管材材质、介质条件的不同而变化,因此可根据炼油装置腐蚀机理及原因选取石化设备易受腐蚀的敏感部位作为监测点,例如,催化分馏塔塔顶、常减压装置塔顶、转油线上部、高压空冷器出口管道。
制定腐蚀监测方案
根据炼油装置腐蚀产生机理不同,采用不同的腐蚀监测方法针对不同监测点制定合理的腐蚀监测方案。具体包括腐蚀监测方法和腐蚀监测频率的确定。
确定腐蚀监测项
根据测点在工艺流程所处的位置不同需要监测的腐蚀数据项也不尽相同。腐蚀监测数据包括腐蚀影响因素、腐蚀产物、腐蚀速率、在线测厚值等。
建立腐蚀数据库
腐蚀数据由不同组织不同部门的人员采用纸质或在单机上存储容易形成信息孤岛,不利于信息共享,无法进行全面有效的腐蚀评价。要实现腐蚀数据的信息化管理首先要建立腐蚀数据库。大量积累的历史腐蚀数据是进行腐蚀评价和决策支持的宝贵资料。
腐蚀数据存入数据库的方式有两种,第一种是通过人工检测测点样本得到腐蚀监测项并通过腐蚀数据管理系统录入数据库;第二种是通过传感器直接实时采集传入腐蚀数据库。
设计实现腐蚀数据管理系统
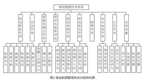
腐蚀数据管理系统是炼油厂进行腐蚀管理的信息化平台,系统可完成腐蚀数据管理、设备管理、图形化测点管理、图形化数据浏览、腐蚀案例管理、腐蚀报表管理、报警管理、知识与标准管理、公告管理和系统设置。系统功能模块如图2所示。

构建腐蚀评价专家系统
腐蚀评价专家系统可通过大量历史数据的分析对装置腐蚀发生程度和腐蚀形态进行评价,预测设备管道的使用寿命,并通过腐蚀失效案例的分析对腐蚀隐患进行预警提示,通过腐蚀预测值判断设备是否需要采用工艺防腐措施进行防腐,有助于制定设备腐蚀检修计划,为石化企业防腐决策提供有力支持。
腐蚀评价专家系统研究重点是腐蚀预测方法的研究。目前,国内炼油厂对腐蚀数据大多采用人工经验分析评价设备的腐蚀状况。例如,对于常减压冷凝系统腐蚀分析中,人工经验通常通过冷凝水中腐蚀产物Fe2+ 和Fe3+ 的含量以及腐蚀介质Cl- 、H2S 的含量是否超标,来判断某个部位腐蚀的类型及是否有明显腐蚀。随着信息技术在各个行业深入应用以及人工智能迅速发展,为腐蚀数据智能专家系统建立提供的理论基础。在专家系统中腐蚀评价预测方法有RBI、人工神经网络、灰色理论。
表1列出在腐蚀评价专家系统中各种预测方法的优缺点。在实际应用中,可根据具体情况选取合适方法,或采用多种方法综合评定,相互补充,从而为腐蚀管理人员提供防腐决策支持。
表1 专家系统中各种腐蚀评价预测方法对比

制定防腐策略调整工艺参数
腐蚀评价的主要目的是指导炼油厂制定防腐策略调整工艺参数,有效控制和防止石化设备腐蚀。腐蚀防护措施包括预防性防腐措施及工艺防腐。
结论与展望
随着物联网、大数据技术的迅速发展并逐渐渗透应用到工业生产中,炼油厂装置腐蚀监测管理向着信息化、数字化、智能化方向发展。基于物联网的腐蚀监测管理平台搭建是炼油厂腐蚀管理必然趋势。通过在炼油厂生产装置上配置信息采集传感器将实现对腐蚀数据的实时监测,并通过大数据分析,更好地了解和预测装置腐蚀状况,及时采取腐蚀防护措施,确保炼油装置能够安全生产长周期运行。另外,目前炼油厂对腐蚀监测数据的分析利用不够充分,基于大量的腐蚀监测数据,使用专家系统找出腐蚀产生的原因、预测腐蚀趋势、提供合理有效防腐措施是未来腐蚀科学与防护技术的一个发展方向,也是炼油厂装置腐蚀管理的重点工作之一。
免责声明:本网站所转载的文字、图片与视频资料版权归原创作者所有,如果涉及侵权,请第一时间联系本网删除。