国家材料腐蚀与防护科学数据中心
National Materials Corrosion and Protection Scientific Data Center
中文 | Eng 数据审核 登录 反馈
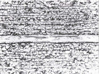
Q235钢金相图谱
2013-06-20 09:39:48 作者:曹雪来源:

Q235钢,200×,4%硝酸酒精溶液,热轧后缓冷,鬼线,铁素体及珠光体呈带状分布

关于国家科技资源服务平台

国家科技基础条件平台中心是科技部直属事业单位,致力于推动科技资源优化配置,实现开放共享,其主要职责是:承担国家科技基础条件平台建设项目的过程管理和基础性工作;承担国家科技基础条件平台建设发展战略、规范标准、管理方式、运行状况和问题的研究,以及国际合作与宣传、培训等工作;承担科技基础条件门户系统的建设与运行管理工作;参与对在建和已建国家科技基础条件平台项目的考核评估和运行监督工作。

国家科技资源服务平台相关网站


国家材料腐蚀与防护科学数据中心

国家高能物理科学数据中心

国家基因组科学数据中心

国家微生物科学数据中心

国家空间科学数据中心

国家天文科学数据中心

国家对地观测科学数据中心

国家极地科学数据中心

国家青藏高原科学数据中心

国家生态科学数据中心

国家冰川冻土沙漠科学数据中心

国家计量科学数据中心

国家地球系统科学数据中心

国家人口健康科学数据中心

国家基础学科公共科学数据中心

国家农业科学数据中心

国家林业和草原科学数据中心

国家气象科学数据中心

国家地震科学数据中心

国家海洋科学数据中心