国家材料腐蚀与防护科学数据中心
National Materials Corrosion and Protection Scientific Data Center
中文 | Eng 数据审核 登录 反馈
名称 : 不同氧含量轴承钢疲劳寿命研究
英文名称 : Study on fatigue life of bearing steel with different oxygen content
材料 : 1420
委托单位 : 钢铁研究总院
实验单位 : 钢铁研究总院
实验方法 : 金相观察
实验设备 : Olympus GX53光学显微镜
实验条件 : 金相打磨腐蚀观察
说明 :

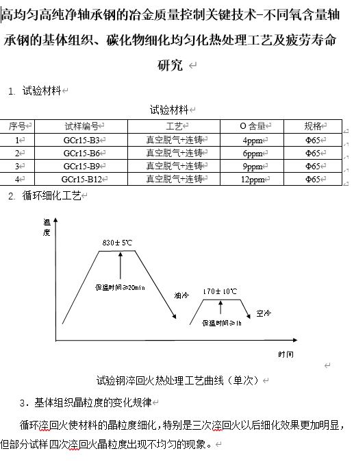
循环淬回火使材料的晶粒度细化,特别是三次淬回火以后细化效果更加明显,但部分试样四次淬回火晶粒度出现不均匀的现象。

英文说明 :

Cyclic quenching and tempering can refine the grain size of the material, especially after three times of quenching and tempering, but some samples have uneven grain size after four times of quenching and tempering.

数据来源 : 分析测试报告
附件下载
重点项目名称 : 高精度长寿命轴承、模具用钢基体强韧化热处理控制技术应用-高精度长寿命轴承、模具用钢基体强韧化、超细化热处理技术及机理
项目所属数据集 : 高精度长寿命轴承、模具用钢基体强韧化热处理控制技术应用-高精度长寿命轴承、模具用钢基体强韧化、超细化热处理技术及机理-数据集

关于国家科技资源服务平台

国家科技基础条件平台中心是科技部直属事业单位,致力于推动科技资源优化配置,实现开放共享,其主要职责是:承担国家科技基础条件平台建设项目的过程管理和基础性工作;承担国家科技基础条件平台建设发展战略、规范标准、管理方式、运行状况和问题的研究,以及国际合作与宣传、培训等工作;承担科技基础条件门户系统的建设与运行管理工作;参与对在建和已建国家科技基础条件平台项目的考核评估和运行监督工作。

国家科技资源服务平台相关网站


国家材料腐蚀与防护科学数据中心

国家高能物理科学数据中心

国家基因组科学数据中心

国家微生物科学数据中心

国家空间科学数据中心

国家天文科学数据中心

国家对地观测科学数据中心

国家极地科学数据中心

国家青藏高原科学数据中心

国家生态科学数据中心

国家冰川冻土沙漠科学数据中心

国家计量科学数据中心

国家地球系统科学数据中心

国家人口健康科学数据中心

国家基础学科公共科学数据中心

国家农业科学数据中心

国家林业和草原科学数据中心

国家气象科学数据中心

国家地震科学数据中心

国家海洋科学数据中心